CE系列工业面阵相机
型号:MV-CE120-10GM
MV-CE120-10GM
1200万像素1/1.7" CMOS 千兆以太网工业相机
在线询价
产品说明
功能特性
支持 Global Reset 模式,可配合光源取得运动环境下无拖影的图像
支持自动或手动调节增益、曝光时间、LUT、Gamma 校正等
千兆网接口,无中继情况下,最远传输距离可到 100m
兼 容 GigE Vision 协 议 V2.0 及GenlCam 标准,无缝链接第三方软件
订货型号
MV-CE120-10GM 黑白相机
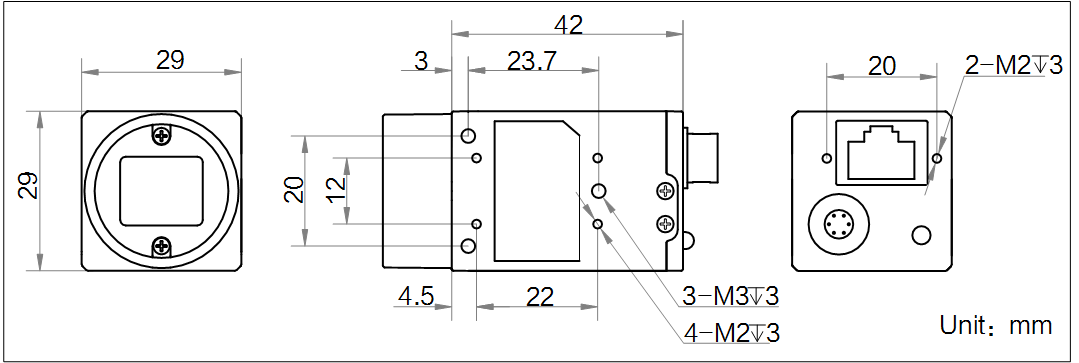
外形尺寸
